The Basics of Automotive Multiphase DC-DC Converters
Automotive applications like infotainment systems require powerful AEC-Q100 qualified processors that need to be in ever-smaller form factors, and that must run off supply voltages that continue to get lowered. The lower voltages mean that supply currents must increase proportionally to meet the devices’ power needs. While buck converters are a great choice for powering high-current digital loads like processors and FPGAs, they have limited maximum output current capabilities. However, using a multiphase approach to DC-DC converter design, developers can increase the maximum current capacity, reduce size and output ripple, and improve transient response.
This blog describes a multiphase buck topology and provides examples of AEC-Q100-qualified converters from Texas Instruments that designers can use in automotive applications.
What is a multiphase buck topology?
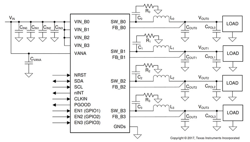
Basically, a multiphase buck topology supply uses a parallel set of buck regulators. Each regulator runs at a controlled duty cycle, but they are phased to be active at spaced intervals so that only one phase is active at any given time. A multiphase converter contains the core of a buck converter as well as the switch. The inductors, the input capacitors, and the output capacitors are external to the device (Figure 1). A multiphase controller has the buck converter core, but the switch and inductor are external components.
Figure 1 : A functional diagram of a three-phase buck converter. Each of the three converter cores has a common input and output. Each phase switches independently to contribute power at its prescribed portion of the cycle. (Image source: Texas Instruments)
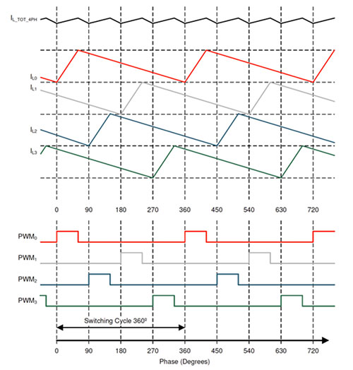
Multiphase converters and controllers typically have from two to six phases. The currents from each phase inductor are summed at the output. Since the inductor currents are not in phase, the summedcurrent levels are lower than the current in each inductor (Figure 2).
Figure 2 : The sum (IIL_TOT_4PH) of the phase inductor currents (IL0 - IL3) has a lower peak-to-peak amplitude and a higher frequency than the individual inductor currents due to the currents being out of phase. (Image source: Texas Instruments)
Figure 2 shows the currents for a quad-phase implementation used for the Texas Instruments LP875610BRNFRQ1 quad buck converter with integrated switches. Since the peak inductor currents occur at different times due to the phase timing offset, the ripple voltage of the sum is reduced. The larger the number of phases, the lower the ripple amplitude. Note also that the ripple frequency of the total current is higher by a factor equal to the number of phases. Lower ripple current and higher ripple frequency mean that smaller output capacitors can be used. The controller monitors each phase current and adjusts each separately to ensure the current drawn from each phase is equal.
The LP875610BRNFRQ1 has four step-down converter cores that are configured as a single four-phase output. Each core includes the FET switches and is capable of an output current of 4 amperes (A) (16 A total for a four-phase single output configuration). The cores are designed to allow optimization of regulator operations; most of the functions are programmable, thus ensuring flexible regulator operation in each application (Figure 3).
Figure 3 : The functional block diagram of a single core showing the control elements that manage the phasing and voltage control of each of the four cores in the LP875610BRNFRQ1.
(Image source: Texas Instruments)
The converter can operate in either a pulse width modulated (PWM) or a pulse frequency modulated (PFM) mode depending on the load current. PWM adjusts the width of the phase pulses at a fixed frequency, while PFM holds the pulse width constant and varies the frequency. PWM is used for output currents above approximately 600 milliamperes (mA), and it can be turned on under program control.
The multiphase converter has improved transient response to changes in load current compared to a single-phase regulator. If a transient event occurs, the multiphase controller can overlap active phases during a load increase. This effectively puts the inductors of all the phases in parallel with one another, reducing the equivalent inductance seen by the output by a factor equal to the total number of phases. This lowers the devices’ output impedance. Similarly, a multiphase regulator can turn all the phases off during a load release to reduce a voltage increase. All the cores are overvoltage and overcurrent protected.
The multiphase buck converter is also more thermally efficient than a single, higher current converter. Heat is proportional to the square of the current, so it is distributed among all four cores instead of being concentrated in a single core. The controller monitors the current output of each phase, either internally or by an external sensing circuit coupled to the converter via a differential connection.
The converter has a programmable provision for spread-spectrum clocking to reduce electromagnetic interference (EMI). Spread-spectrum mode varies the switching frequency periodically about the center frequency to reduce the electromagnetic interference (EMI) emissions of the converter, as well as associated passive components and printed circuit board (pc board) traces (Figure 4).
Figure 4 : Spread-spectrum clocking varies the clock frequency periodically, spreading the RF energy over a broader bandwidth at a reduced amplitude. (Image source: Texas Instruments)
Multiphase controllers are also available in a dual-phase configuration. For example, the Texas Instruments LP87565URNFRQ1 has two dual buck converters, each of which can supply 4 A for a total output current of 8 A per device. The Texas Instruments LP87564TRNFRQ1 is a quad multiphase buck converter that is configurable as a single four-phase buck converter (Figure 5).
Figure 5 : The LP87564TRNFRQ1 is a quad multiphase buck converter that is configurable as a single four-phase buck converter. (Image source: Texas Instruments)
All of these multiphase converters are AEC-Q100 qualified for automotive applications. The Automotive Electronics Council (AEC) was established by three major automotive manufacturers to establish common part qualification and quality system standards. The AEC-Q100 standard is a stress test qualification for packaged integrated circuits based on failure mechanisms. These devices are qualified for an operating temperature range of -40°C to +125°C, as well as two electrostatic discharge classifications.
Conclusion
To meet the power management needs of the latest automotive processors, designers can use AEC-Q100 qualified multiphase buck converters. Available in a variety of configurable packages, these converters provide the required current capacity, output ripple, and transient response characteristics in a compact form factor.
Have questions or comments? Continue the conversation on TechForum, Digi-Key's online community and technical resource.
Visit TechForum

