Secuenciador cuádruple digital ES1030QI
El secuenciador cuádruple digital ES1030QI de Altera ofrece una secuenciación anidada de las cuatro salidas por dispositivo.
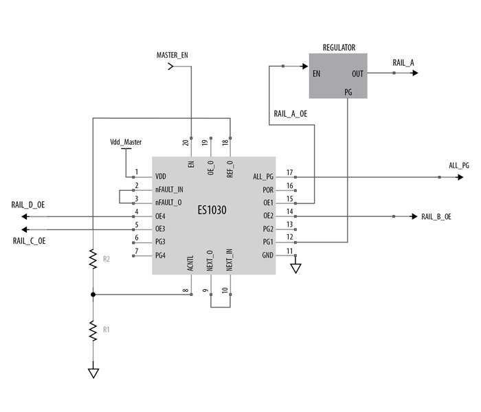
El secuenciador de riel de alimentación ES1030QI de Altera es un dispositivo pequeño y de baja potencia ideal para establecer el patrón de la secuencia de energía en sistemas de alimentación de varios rieles. La pieza proporciona la secuencia anidada de cuatro salidas por dispositivo, con la capacidad para conectar dispositivos adicionales en una cadena de secuenciación para 16 salidas como mínimo. Un divisor de resistor simple establece un intervalo de tiempo preciso de calificación al determinar si cada riel de alimentación es válido en el momento correcto. La pieza utiliza señales de buena potencia de los reguladores para proporcionar retroalimentación de energía válida. Cada señal de E/S con error y las señales PG agregadas mejoran aún más la utilidad de este dispositivo. El SoC está disponible en un paquete STQFN de 2 mm x 3 mm y es ideal para utilizar en sistemas densos.
Guía de usuario de la placa de evaluación Enpirion®
| Características | |
|
|
Evaluation Board
| Imagen | Número de pieza del fabricante | Descripción | Pieza/CI utilizado | Cantidad disponible | Precio | ||
|---|---|---|---|---|---|---|---|
![]() | ![]() | EVB-ES1030QI | EVAL BOARD FOR ES1030QI | ES1030QI | 0 - Inmediata | See Page for Pricing | Ver detalles |



